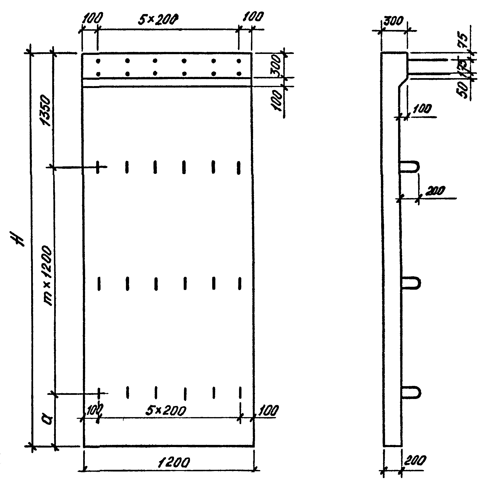
Плита фундаментная плоская ППФ 12-63 представляет собой железобетонное изделие, предназначенное для использования в строительстве фундаментов зданий и сооружений. Она имеет прочную структуру и высокую надежность, что обеспечивает долговечность и устойчивость фундамента.
Плита фундаментная плоская ППФ 12-63 широко используется в строительстве жилых, коммерческих и промышленных объектов. Она подходит для устройства фундаментов как одноэтажных, так и многоэтажных зданий. Также ее можно применять при возведении заборов, ограждений и других сооружений, где требуется надежная опора. Благодаря своим характеристикам, плита обеспечивает равномерное распределение нагрузки и защиту от деформаций, что делает ее идеальным выбором для создания прочного и устойчивого фундамента.









