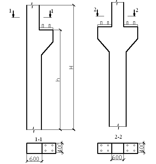
Колонна железобетонная 5к 120-1 из серии 1.424.1-5 предназначена для использования в строительстве как несущий элемент. Изделие обладает высокой прочностью и устойчивостью к воздействию внешних нагрузок, что делает его идеальным выбором для возведения зданий и сооружений различного назначения.









